Centrales de mando para motor trifásico.
CT3IND cuadro de mando para el control y el accionamiento, mediante telerruptores, de automatismos industriales de un motor TRIFASICO 400 Vac 50Hz 1.5KW Max, o bien MONOFASICO 230 Vac 50Hz 800W Max.
Principales características:
• Sensor amperímetrico en cada fase para la relevación de obstáculos.
• Sistema de control y aprobación de la fase (sólo para el trifásico).
• Función salvamotor que limita la corriente máxima (corriente limitada a 10A).
• Amplio display y 3 teclas para la regulación de los parámetros.
• Receptor radio integrado.
• Relevación de obstáculos regulable.
• Diagnóstico automático de los dispositivos de seguridad.
• Led de indicación de estato entradas.
Entradas: pulsador abre, pulsador cierra, pulsador paso a paso, pulsador peatonal, pulsador stop, finales de carrera de apertura y cierre, 2 fotocélulas y 2 bandas de seguridad (N.C. o 8k2).
Salida: semáforica integrada, circuito de destello a bordo tarjeta 230 Vac, luz de cortesía y alimentación accesorios 24 Vac/dc y módulo radio receptor.
Dim. (mm) W x D x H = 300 x 220 x 120 BOX
Box con teclas
Box simple
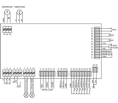
| Regleta de bornes | |
| ANT. | Antena |
| C.A. | Masa antena |
| C.L. | Luz de cortesía |
| TRAFFIC LIGHT | Salida semáforo |
| IN2 (N.O.) | Cierre retrasado |
| IN1 (N.O.) | Mando de apertura |
| COM | Común |
| S.S. (N.O.) | Pulsador PASO a PASO |
| PED (N.O.) | Pulsador PEATONAL |
| OPEN (N.O.) | Pulsador ABRE |
| CLOSE (N.O.) | Pulsador CIERRA |
| STOP (N.C.) | Pulsador STOP |
| L.S.OP. (N.C.) | Final de carrera abre |
| L.S.CL. (N.C.) | Final de carrera cierra |
| PHOTO1 (N.C.) | Contacto fotocélula 1 |
| PHOTO2 (N.C.) | Contacto fotocélula 2 |
| EDGE1 | Banda de seguridad 1 |
| EDGE2 | Banda de seguridad 2 |
| R (L) – S (N) – T | Alimentación |
| 400V | Selector de motor trifásico |
| 230V | Selector de motor monofásico |