Control units for 1 gearmotor 230 Vac
BIOS1 Control unit for sliding gates and barriers, without transformer.
Main characteristics:
• Control unit with managing of a transmitter through the display.
• Extractable memory and terminal boards.
• Electronic torque adjustment.
• Learning up to 1000 transmitters.
• Functions selection through display.
• Self–learning of strokes.
• Differentiable slowing downs during opening and closing phase.
• Adjustable obstacle detection.
• Self-diagnosis of safety devices.
• Led for inputs status.
• Radio receiver module.
Inputs: open button, close button, step–by–step button, pedestrian button, stop button, 2 photocells, safety edge, open and close limit switch.
Outputs: Integrated flashing circuit 230 Vac, courtesy light and power supply accessories (24 Vdc).
Dim. (mm) W x D x H = 90 x 125 x 35 SK
Transformer TCT BIOS1
07
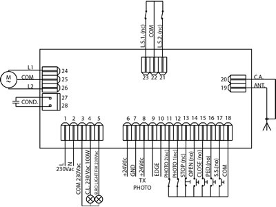
| Terminal board | |
| COM | Common |
| CLOSE (N.O.) | CLOSE button |
| OPEN (N.O.) | OPEN button |
| S.S. (N.O.) | STEP BY STEP button |
| STOP (N.C.) | STOP button |
| PED (N.O.) | PEDESTRIAN button |
| PHOTO1 (N.C.) | Photocell contact 1 |
| PHOTO2 (N.C.) | Photocell contact 2 |
| L.S.1. (N.C.) | Limit switch 1 |
| L.S.2. (N.C.) | Limit switch 2 |
| 230 Vac | Power supply |
| COND. | Capacitor |
| C.L. | Courtesy light |
| LAMP. | Flashing light |
| ANT. | Antenna |
| C.A. | Antenna braiding |